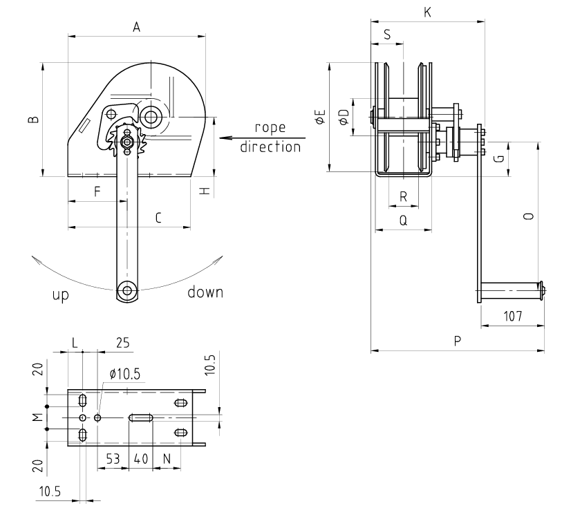
Vörunr.LýsingGerðÁlag innstÁlag ystTóg ummálLengd tógLyfting per snúningSnúningskrafturÞyngd án tógsA (mm)B (mm)C (mm)Q D (mm)Q E (mm)F (mm)G (mm)H (mm)K (mm)L (mm)M (mm)N (mm)O (mm)P (mm)Q (mm)R (mm)S (mm)
3844Vinda, ryðfrí, gólfesting án vírsLB 900 VA900 kg320 kg7 mm26 mtr45 mm24 daN12.1 kg27326624063.52557875138190353053250291955055

Trissuhjól DSRB S m/legu fyrir vindur

VörunúmerLýsingGerðLVÁ í 90°LVÁ í 180°Tóg / vír ummálB (mm)C (mm)Q D (mm)Q D1 (mm)Q DM (mm)E (mm)H (mm)K (mm)L (mm)Q M/M1 (mm)S (mm)
38455Trissuhjól m/legu, f/7 mm vír (fyrir vindur)DSRB S 145/71.100 kg800 kg6 / 7 mm125160145251268822411020011.5/136
PRENTA